Схемы PCB не только показывают связь соединения электронных компонентов, но и указывают конкретное расположение, макет и электрические характеристики компонентов.
Так как просмотреть схему PCB?
Вот несколько шагов и способов просмотра схемы PCB:
Плата схем, на самом деле, представляет собой интегрированный корпус, состоящий из серии электронных компонентов, соединенных линиями из медной фольги. Эти, казалось бы, сложные линии и компоненты на самом деле следуют конкретным принципам конструкции схемы. Чтобы расшифровать их, первая задача — ознакомиться с обычными электронными компонентными символами.
Символы компонентов: компоненты на схемах схем обычно представлены символами, такими как резисторы, конденсаторы, транзисторы, интегральные схемы (IC), диоды и т.д.
Электрические соединения: отдельные компоненты соединяются друг с другом через проводку, чтобы сформировать электрическую цепь.
Мощность и заземление: схемы схем помечены линиями мощности (+) и заземления (-), чтобы указать эталонные точки напряжения и тока.
Сигнальные линии - это пути, через которые проходят сигналы, а наземные линии используются для возвращения тока.
Примечания и этикетки: Некоторые схемы будут сопровождаться информацией, такой как номер модели, значение и спецификации компонентов, чтобы помочь понять, что делает каждый компонент.
Понимание этих основных символов равно тому, что вы сделали первый шаг в чтении платы.

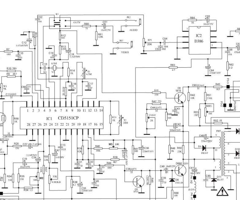
схема схемы PCB
Далее переходим ко второму этапу - анализу схемы схемы.
Схема схемы, которую можно рассматривать как чертеж души платы, показывает, как соединены компоненты и куда идет ток.
Если у вас уже есть фактическая изготовленная плата PCB под рукой, вы можете просмотреть ее схему несколькими способами:
Просмотр производственных файлов: Если у вас есть оригинальные файлы из конструкции, они обычно включают схему схемы (.sch файл) и макет PCB (.brd файл). Вы можете открыть эти файлы в программном обеспечении для проектирования, чтобы просмотреть схему.
Проверьте документацию и схему: Некоторые продукты или платы разработки предоставляют руководство пользователя или документацию разработки, которая содержит схему схемы, описывающую функцию каждого компонента и соединения.
Обратная инженерия: Если у вас нет схематического файла, вы можете использовать некоторые инструменты для обратной инженерии. Перестройте схему, сделав снимок PCB или сканируя все соединения на плате, а затем вручную анализируя эти соединения. Этот процесс сложный и длительный для сложных схем, но он осуществим для простых плат.
Как интерпретировать схемы PCB
Интерпретация схем является ключом к пониманию и анализу схем. Вот несколько общих шагов, которые помогут вам прочитать схему схемы:
1. Идентифицировать компоненты
Каждый компонент имеет стандартный символ в схеме схемы. Изучение и понимание этих символов имеет основополагающее значение для интерпретации схем. Общие символы включают:
Резистор: обычно представлен в виде прямоугольного символа с разбитой линией.
Конденсатор: две параллельные линии, электролитические конденсаторы маркированы знаком "+".
Диод: треугольник, указывающий на вертикальную линию, указывающий, что ток может течь только в одном направлении.
Транзисторы: трехшпиковый символ, отличающий транзисторы NPN и PNP.
Интегральные схемы (ИС): прямоугольная коробка, маркированная штифтами, обычно с подключенным более чем одним штифтом.

схема схемы PCB
2. Понимание связей
Линии на схеме представляют пути тока и соединяют различные компоненты. При просмотре схемы печатной платы вам нужно понять, как компоненты соединены друг с другом и где ток входит и выходит. Обратите особое внимание на:
Мощность и земля: определить местоположение мощности (Vcc) и земли (GND). Они являются эталонными точками для схемы.
Путь сигнала: путь сигнала от входа к выходу, включающий такие компоненты, как резисторы, конденсаторы и усилители.
Функциональные модули: схемы часто группируются по функциональным модулям (например, усилителям, фильтрам, модему и т. д.), чтобы помочь вам понять, как работает схема.
3. Просмотр информации о напряжении и токе
Некоторые схемы также будут помечены информацией о напряжении, токе или сопротивлении компонентов (например, значения сопротивления, переднее напряжение диодов и т. д.). Эта информация помогает вам более точно понять, как работает схема.
4. Поиск аномалий
Если вы смотрите на схему схемы в целях отладки или устранения неисправностей, вы можете устранить неисправности, проверив, имеют ли соединения на схеме схемы смысл, искать потенциальные короткие или открывающиеся, или проверить, правильно ли напряжение питания.
Этот процесс, где вы можете найти несоответствия между фактической доской и схемой, это то, где есть возможность обучения. Вы обнаружите, что конструктор платы будет делать адаптации к схеме, чтобы учитывать уровень тока, электромагнитную совместимость и рассеивание тепла. Благодаря сравнительному анализу и практической практике вы получите более глубокое понимание сути конструкции платы. Конечно, процесс понимания платы будет непростым, вы можете столкнуться с различными проблемами, такими как трудно понять символы схемы, сложный макет и так далее.
Выше приведены некоторые шаги и методы "как просмотреть схему печатной платы", надеюсь, что это поможет вам.